Published:2012/10/22 21:50:00 Author:muriel | Keyword: Light Level , Indicator, Window Comparator | From:SeekIC

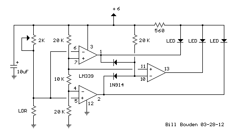
The second example below uses a LDR (light dependent resistor) to indicatesome desired light level. The LDR has a large dynimic range and varies inresistance from less than 100 ohms on a cloudy day to over a megohm in totaldarkness. A 2K pot was used to adjust the window range for usual room lightconditions. This setup might also be used to indicate sunrise/sunset conditions.
Reprinted Url Of This Article:
http://www.seekic.com/circuit_diagram/Control_Circuit/Light_Level_Indicator_Using_a_Window_Comparator.html
Print this Page | Comments | Reading(3)
Code: