Published:2011/7/3 2:55:00 Author:Sue | Keyword: Light-Operated, Neon, Light | From:SeekIC

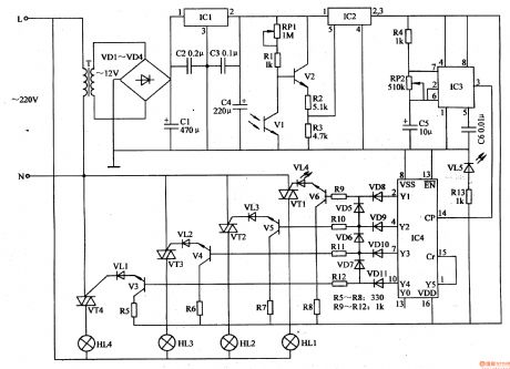
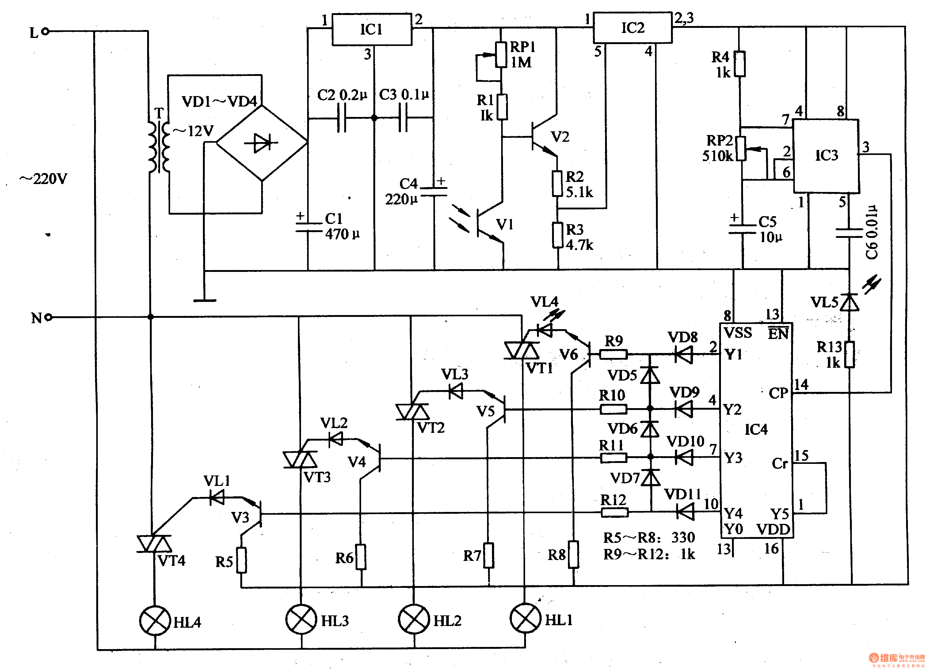
The 220v voltage will provide C4 with +12v working voltage after reduction, rectification, filtration and stablization.
In the daytime, V1 has a high resistance value because of the light, V2 is disconnected. IC2's inner switch is disconnected. IC3 and IC4 will have no working voltage. VT1-VT4 are disconnected. HL1-HL4 are not illuminated.
When it is dark, V1 has a low resistance value because of lack of light. V2 is connected. IC2's pin 5 has a high level. Its inner switch will be connected. Pin2 and pin 3 will output +12v voltage. IC3 and IC4 will begin to work.
Reprinted Url Of This Article:
http://www.seekic.com/circuit_diagram/Control_Circuit/Light_Operated_Neon_Light_1.html
Print this Page | Comments | Reading(3)
Code: