Published:2011/7/8 5:35:00 Author:Sue | Keyword: Light-Operated, Streetlight | From:SeekIC

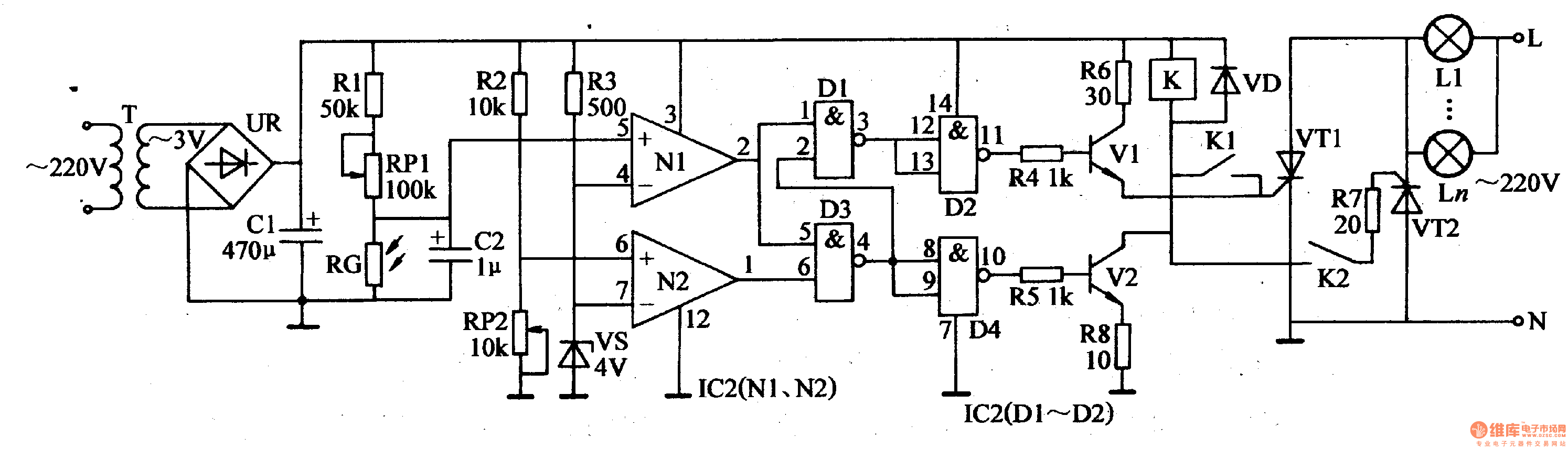
The 220v ac voltage will provide the light-operated circuit and trigger control circuit's IC1,IC2,K with +gV working voltage after it is reduced by T, rectificated by UR, filtrated by C1. The +9v voltage is also divided into four circuits. One will serve as electric supply detect sampling voltage after it is voltage divided by R2,RP2. One will provide N1's positivephaseinput terminal with light-operated signal voltage after it is voltage divided by R1,RP1,RG. One will provide N1's negative phase input terminal and N2's positive phase input terminal with 4V base voltage after it is voltage divided by R3,VS. Another one will provide V1 with working voltage after it is limited by R6.
In the daytime, RG has a low resistance value because of the light. N1's positive phase input terminal(IC1's pin 5)'s voltage is lower than that of negative phase input terminal(IC1's pin 4)'s, so it outputs low level.AND NOT GATE D1,D3 both output high level. D2,D4 both output low level.V1,V2 are disconnected. K is not connected and VT1,VT2 are disconnected. EL1-ELn are not illuminated.
Reprinted Url Of This Article:
http://www.seekic.com/circuit_diagram/Control_Circuit/Light_Operated_Streetlight_1.html
Print this Page | Comments | Reading(3)
Code: