Published:2011/7/8 5:41:00 Author:Sue | Keyword: Light-Operated, Streetlight | From:SeekIC

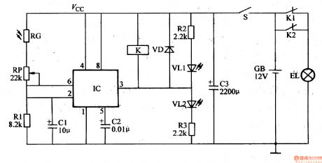
In the daytime, the photeresistor RG will have a low resistance value because of the light. IC's pin 2's and pin 6's voltages arehigher than 2Vcc/3. IC's pin 3 will output low level, which will make the relay K connected. Its normally open contactors K1 and K2 are both disconnected and the illumination EL is not illuminated.
When it is dark, RG will have a larger resistance value because of lack of light. IC's pin 2's and pin 6's voltages will become lower. When the voltage is lower than Vcc/3, IC's pin 3's low level will become high level which will make the relay K released. Its normally closed contactors K1 ,K2 are both connected. The illumination EL is illuminated.
Reprinted Url Of This Article:
http://www.seekic.com/circuit_diagram/Control_Circuit/Light_Operated_Streetlight_10.html
Print this Page | Comments | Reading(3)
Code: