Published:2011/7/1 6:38:00 Author:Sue | Keyword: Light-Operated, Streetlight | From:SeekIC

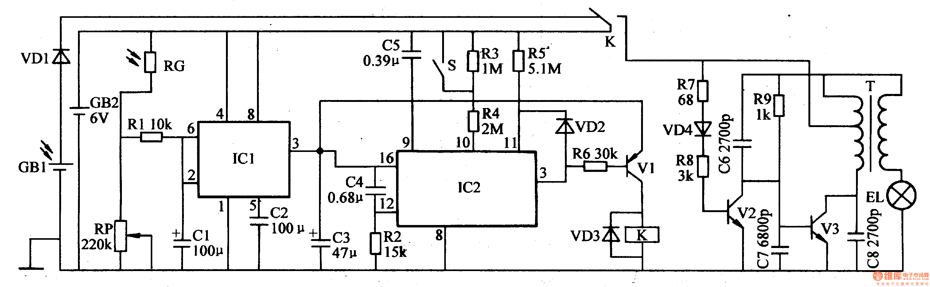
In the daytime, GB will be charged. RG will have a low resistance value which will make IC1's pin 2's and pin 6's voltages higher than 2Vcc/3. IC1's pin 3 will output low level. IC2 and V1 don't work. K is released and EL is not illuminated.
When it is dark, RG has a larger resistance value which will make IC1's pin 2's and pin 6's voltage become lower. When the voltage is lower than Vcc/3, IC1's inner circuit will be reversed. Its pin 3 will have high level. IC2 and V1 will begin to work. Then pin 3 will output low level which will makes V1 connected. K is connected. Then ELA will be illuminated.
Reprinted Url Of This Article:
http://www.seekic.com/circuit_diagram/Control_Circuit/Light_Operated_Streetlight_16.html
Print this Page | Comments | Reading(3)
Code: