Published:2011/7/8 5:53:00 Author:Sue | Keyword: Light-Operated, Streetlight | From:SeekIC

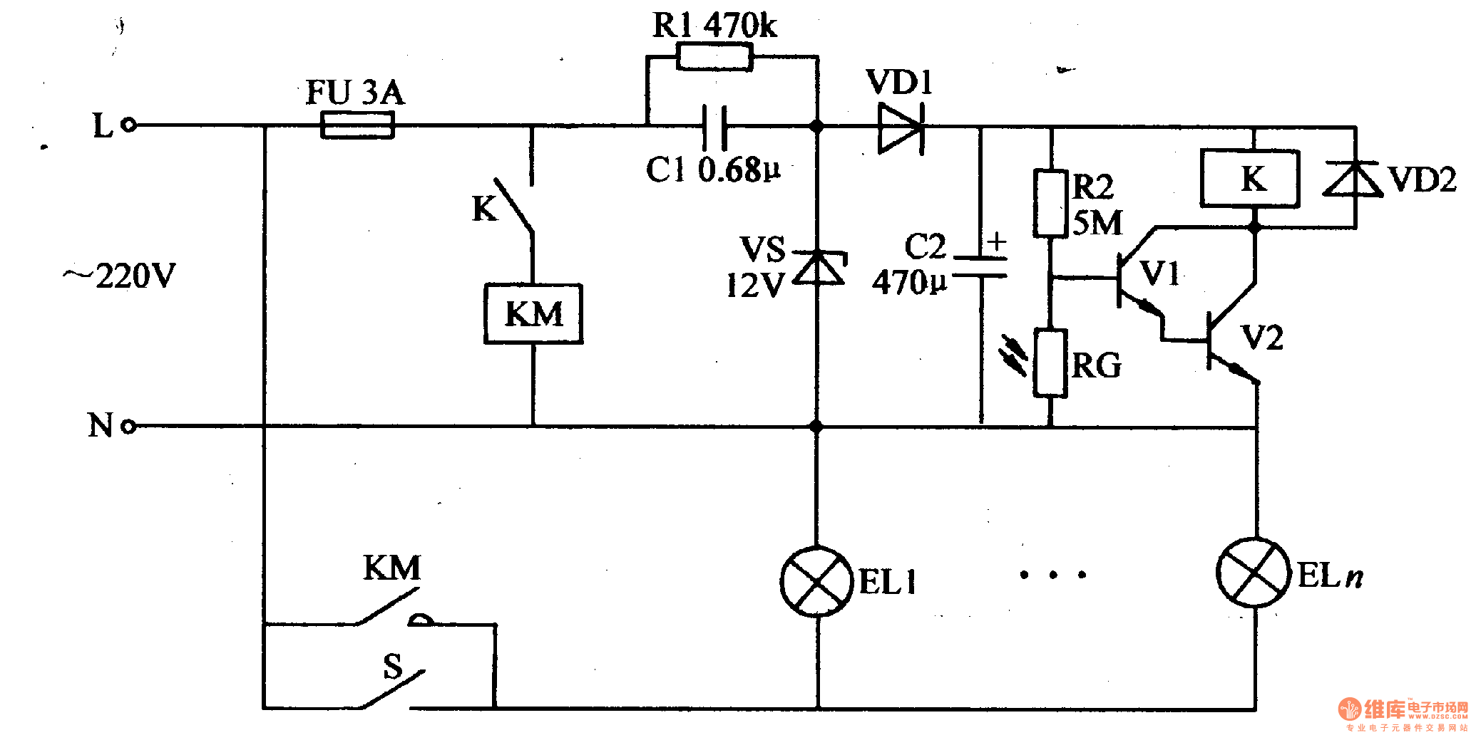
The light-operated circuit consists of photoresistor RG, resistor R2, transistors V1,V2, relay K, ac contactor KM, diode VD2 and manual switch S.
The 220v ac voltage will provide the light-operated circuit with 12v working voltage after it is reduced by C1, stablized by VS, rectificated by VD1, filtrated by C2.
In the daytime, RG will have a low resistance value which will make V1,V2 disconnected. K, KM are released. K and KM are disconnected. EL1-ELn are not illuminated.
When it is dark, RG will have a higher resistance value which will make V1,V2 connected. K is connected and its normally open switch is connected. KM is connected and EL1-ELn are illuminated.
Reprinted Url Of This Article:
http://www.seekic.com/circuit_diagram/Control_Circuit/Light_Operated_Streetlight_6.html
Print this Page | Comments | Reading(3)
Code: