Published:2011/7/8 5:47:00 Author:Sue | Keyword: Light-Operated, Streetlight | From:SeekIC

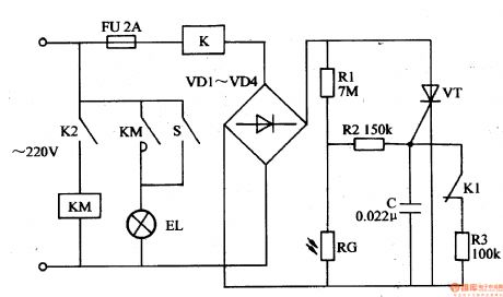
The 220v ac voltage will become direct current voltageafter it is reduced by K, rectificated by VD1-VD4. One circuit will be put on VT's positive electrode. The other circuit will provide VT's gate electrode with trigger voltage through R2 after it is voltage divided by R1,RG.
In the daytime, RG will have a low resistance value because of the light. C's voltage is low, so VT is not connected. K and KM are not connected. Illuminations EL1-ELn are not illuminated.
When it is dark, RG has a high resistance value which will make C have a higher voltage. VT will be connected and K is connected. Its normally closed contactor K1 is disconnected, while its normally open contactor K2 is connected. KM is connected. KM's normally open contactor will make EL1-ELn's working power connected. EL1-ELn will be illuminated.
Reprinted Url Of This Article:
http://www.seekic.com/circuit_diagram/Control_Circuit/Light_Operated_Streetlight_7.html
Print this Page | Comments | Reading(3)
Code: