Published:2011/9/14 22:23:00 Author:Rebekka | Keyword: Light , audio controlling touching | From:SeekIC

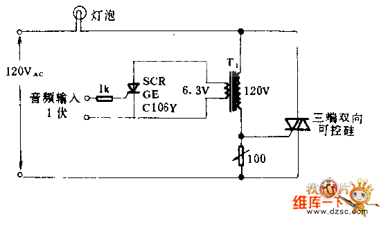
Three-terminal two-way SCRis controlled bylampon - off set. Two-way SCR is triggered by 1v audio signal. T1 is an isolation transformer. Since the action of switching is much faster than the reaction of light bulbs and the human eyes. The effect of the audio control is similar to the proportional control. When resistor R1 is set to the maximum input is zero. But bulb can not do that. Three-terminal two-way SCR should match to the bulb.
Reprinted Url Of This Article:
http://www.seekic.com/circuit_diagram/Control_Circuit/Light_audio_controlling_touching_circuit_diagram.html
Print this Page | Comments | Reading(3)
Code: