About SeekIC | Services | Payment | Advertisements service | Contact Us | Links
© 2008-2012 SeekIC.com Corp.All Rights Reserved.
Published:2011/7/4 22:40:00 Author:zj | Keyword: Light control, delay lamp | From:SeekIC

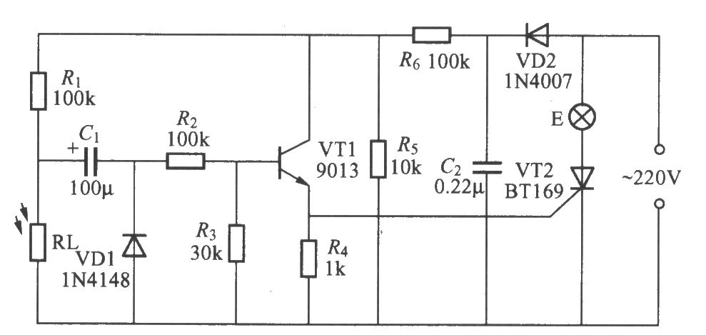
As the diagram shows, it can be used as bedside wall lamp circuit. When you turn off the light to go to bed at night, it can lights up for about 1 minute. It can bring coziness to the bedroom andconvenience to life. This circuit is mainly used for auxiliary lightingafter lights out. Light E should use 5~15W low power lamp.
Reprinted Url Of This Article:
http://www.seekic.com/circuit_diagram/Control_Circuit/Light_control_delay_lamp_circuit_2.html
Print this Page | Comments | Reading(3)
Response in 12 hours
© 2008-2012 SeekIC.com Corp.All Rights Reserved.
Code: