Published:2009/7/22 21:20:00 Author:Jessie | From:SeekIC

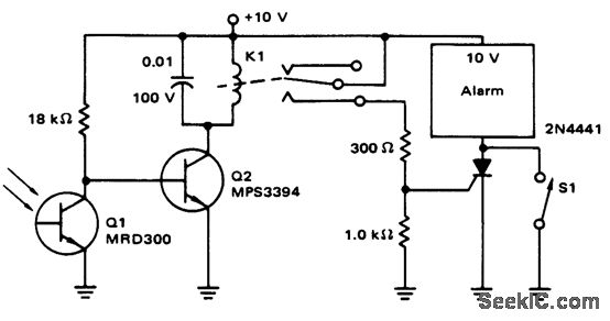
This circuit shows an MRD300 phototransistor that is used to control an alarm (bell, buzzer, etc.). The alarm is turned on when light is removed from Q1. The alarm remains on (even if the light is restored to Q1 ), until momentary-contact switch S1 is closed.
Reprinted Url Of This Article:
http://www.seekic.com/circuit_diagram/Control_Circuit/Light_operated_alarm.html
Print this Page | Comments | Reading(3)
Code: