Published:2011/6/8 8:33:00 Author:Christina | Keyword: Long delay, light control, switch | From:SeekIC

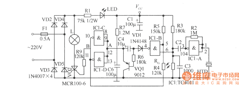
The second generation sound and light control switch is as shown in the figure, the delay time is extended to about 3 minutes, so that it can satisfly meet the requirements of users, and if you want to extend the delay time when you are using it, you just need to send out any sound when the bulb is flashing. Components selection: the IC1 uses the double-input Four NAND gates TC4011. The RG is the photoresistor, the larger the difference between the light resistance value and the dark resistance value, the effect is better. The resistance uses the 1/8W carbon membrane resistance. The electrolytic capacitor voltage is 16V, C6 uses the electrolytic capacitor with good performance and large leakage resistance value.
Reprinted Url Of This Article:
http://www.seekic.com/circuit_diagram/Control_Circuit/Long_delay_light_control_switch_circuit.html
Print this Page | Comments | Reading(3)
Code: