Published:2009/7/21 21:43:00 Author:Jessie | From:SeekIC

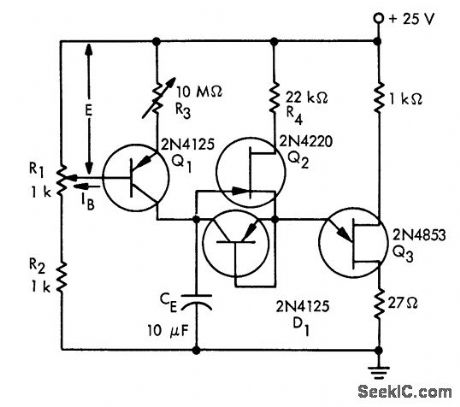
Long duration time delay circuit. Time delays of up to 10 hours are possible with this circuit (courtesy Motorola Semiconductor Products Inc.).
Reprinted Url Of This Article:
http://www.seekic.com/circuit_diagram/Control_Circuit/Long_duration_time_delay_circuit.html
Print this Page | Comments | Reading(3)
Code: