Published:2011/6/29 22:05:00 Author:Nicole | Keyword: loom, saves electricity controller | From:SeekIC

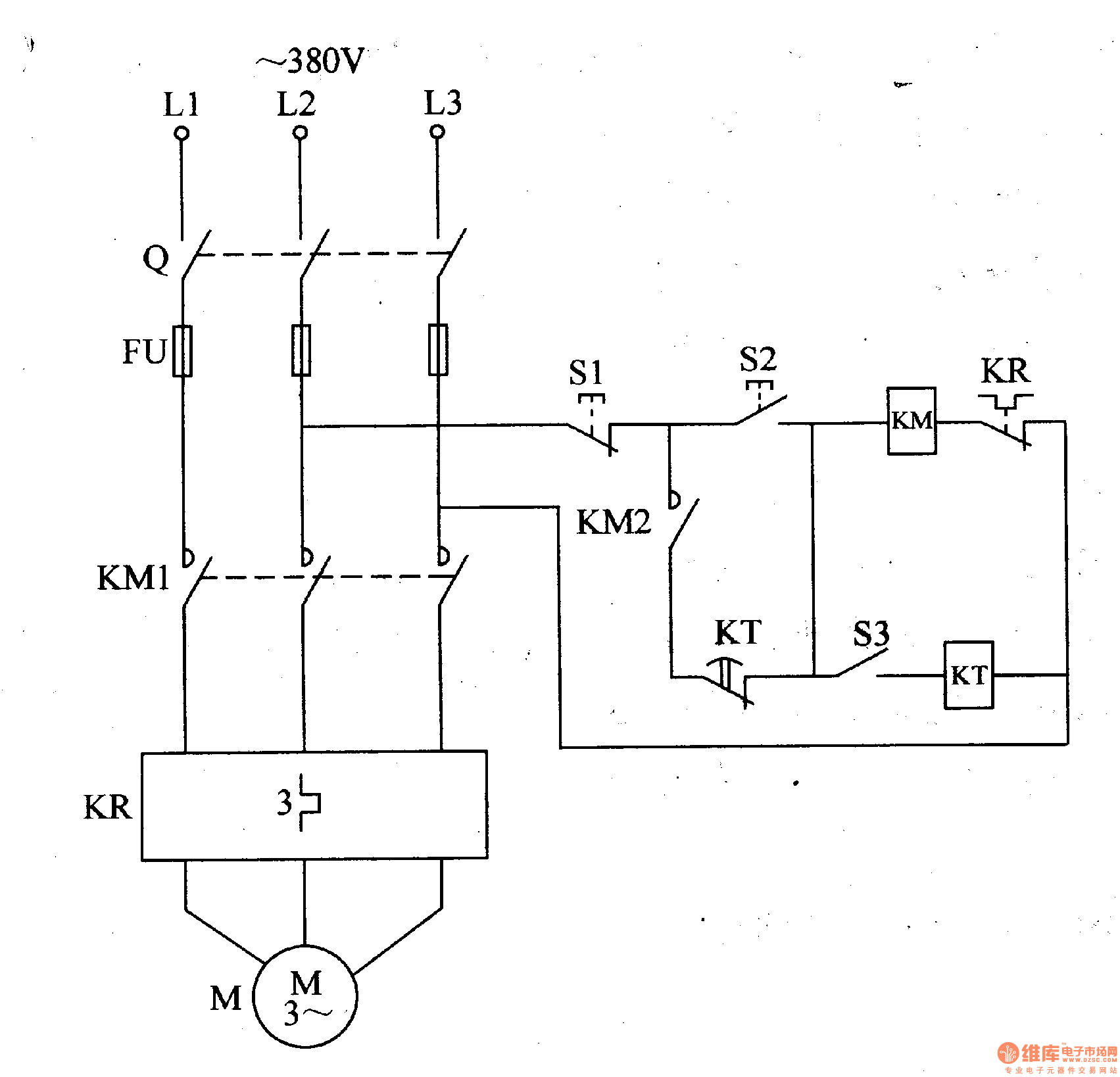
The loom saves electricity controller circuit is composed of knife switch Q, fuse FU, stop button S1, starter button S2, microswitch S3, time relay KT, AC contactor KM, heat relay KP and motor M, it is shown in the figure 8-21.
The knife switch Q is connected, starter button S2 is pressed, AC contactor KM is turned on and pulled in, motor M starts running. When the machine open and shut down handle is in start-up position, microswitch S3 is in off state, time relay KT is in release state.
Reprinted Url Of This Article:
http://www.seekic.com/circuit_diagram/Control_Circuit/Loom_saves_electricity_controller_5.html
Print this Page | Comments | Reading(3)
Code: