Published:2011/6/29 22:16:00 Author:Nicole | Keyword: loom, saves electricity controller | From:SeekIC

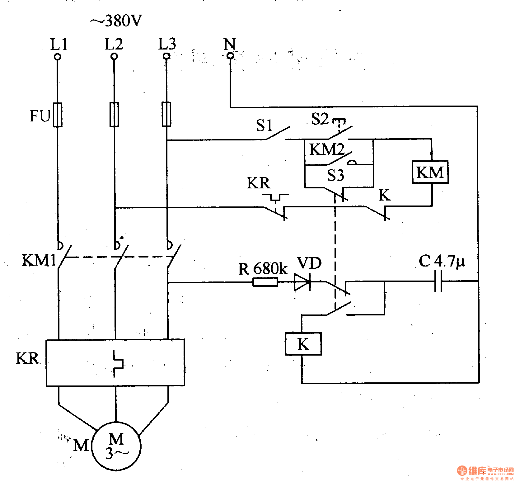
The loom saves electricity controller circuit is composed of control switch S1, starter button S2, AC contactor KM, heat relay KP, relay K, resistor R, capacitor C, rectifier diode VD and microswitch S3, it is shown in the figure 8-22.
The control switch S1 is turned on, the starter button S2 is pressed, AC contactor KM is connected and pulled in, it is self-lock, the motor M is electrifying and running. The loom's machine open and shut down handle is set in start-up position, the microswitch S3's two groups normally closed contacts are turned on, the normally open contact cuts off.
Reprinted Url Of This Article:
http://www.seekic.com/circuit_diagram/Control_Circuit/Loom_saves_electricity_controller_6.html
Print this Page | Comments | Reading(3)
Code: