Published:2011/6/1 9:34:00 Author:Lena | Keyword: infrared, remote control, transmitting, control circuit | From:SeekIC



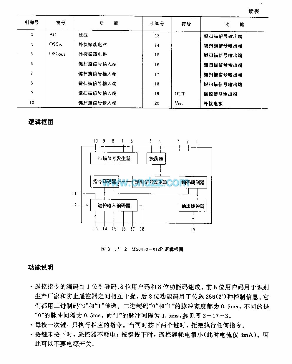
M50460-012P is an infrared remote control transmitting control integrated circuit which is applied to TV etc. Internal circuit consists of oscillator, scan signal generator, timing signal generator, instruction encoder, coding modulator, key control input coder and output buffer. Related used type is CX20106A. Package model is 20-pin dual-in-line plastic package.
Function descriptionRemote control instruction is composed by 1-bit leader code, 8-bit user code and 8-bit function code. The anterior 8-bit user code is used to identify producer and to prevent interference between remote controllers.
Reprinted Url Of This Article:
http://www.seekic.com/circuit_diagram/Control_Circuit/M50460—012PTV_infrared_remote_control_transmitting_control_circuit.html
Print this Page | Comments | Reading(3)
Code: