Published:2009/7/22 1:05:00 Author:Jessie | From:SeekIC

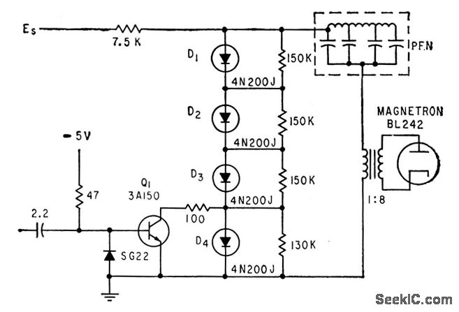
Uses four Shockley diodes in series, triggered by avalanche triode transistor, to give action similar to that of conventional line-type pulser using hydro gen thyratron, but requires no heater power or warmup.-L. Diven, Solid-State Modulator Feeds Subminiature Transponder, Electronics, 33:27, p 48-51.
Reprinted Url Of This Article:
http://www.seekic.com/circuit_diagram/Control_Circuit/MAGNETRON_MODULATOR.html
Print this Page | Comments | Reading(3)
Code: