Published:2011/6/9 1:13:00 Author:Christina | Keyword: air conditioner, single chip, microcomputer, integrated circuit | From:SeekIC


The MC6805R3 is designed as one kind of air conditioner single chip microcomputer integrated circuit that is produced by the MOTOROLA company, and it can be used in the Mitsubishi and Haier series air conditioner.
1.Pin functions
The MC6805R3 is in the 40-pin dual-row package, the pin functions are as shown in the table.
The pin functions of the MC6805R3
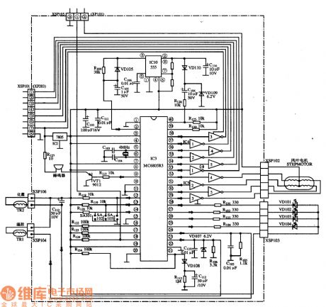
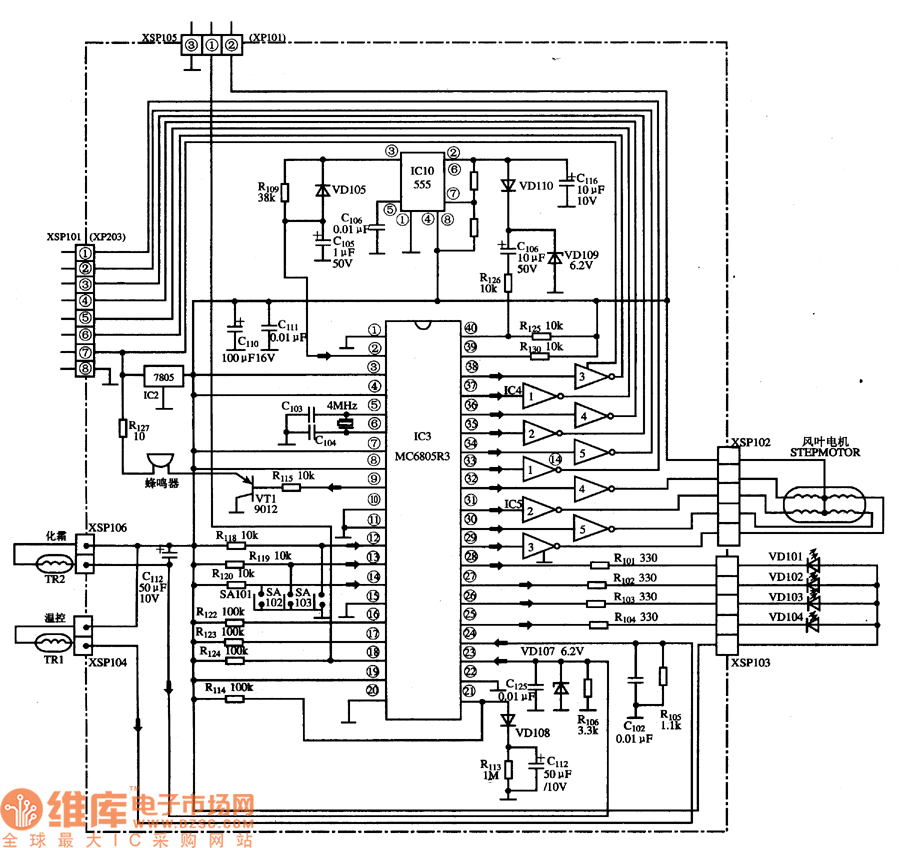
2.Typical application
The typical application circuit of the air conditioner control circuit which is composed of the MC6805R3 is as shown in the figure.
The typical application circuit of the MC6805R3
Reprinted Url Of This Article:
http://www.seekic.com/circuit_diagram/Control_Circuit/MC6805R3_air_conditioner_single_chip_microcomputer_integrated_circuit.html
Print this Page | Comments | Reading(3)
Code: