Published:2009/7/20 2:41:00 Author:Jessie | From:SeekIC

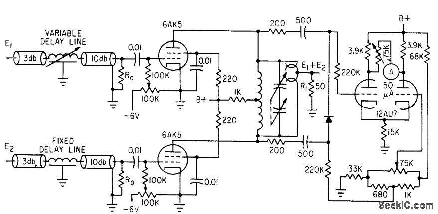
Three plug-in tuning circuits cover range from 15 to 400 Mc. Phase delay is compared with continuously variable delay standard with accuracy of 1% or 0.1°.-Y. P. Yu, How to Measure Phase at High Frequencies, Electronics, 34:11, p 54-56.
Reprinted Url Of This Article:
http://www.seekic.com/circuit_diagram/Control_Circuit/MEASURING_PHASE_UP_TO_400_MC.html
Print this Page | Comments | Reading(3)
Code: