Published:2009/6/30 22:44:00 Author:May | From:SeekIC

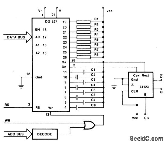
Differential multiplexers are generally used in process control applications to eliminate errors due to common mode signals. In this circuit however, advantage is taken of the dual multiplexing capability of the switch. This is achieved by using the multiplexer to select pairs of RC networks to control the pulse width of the multivibrator. This can be a particularly useful feature in process control applications where there is a requirement for a variable width sample window for different control signals.
Reprinted Url Of This Article:
http://www.seekic.com/circuit_diagram/Control_Circuit/MICROPROCESSOR_SELECTED_PULSE_WIDTH_CONTROL.html
Print this Page | Comments | Reading(3)
Code: