Published:2009/7/21 10:40:00 Author:Jessie | From:SeekIC

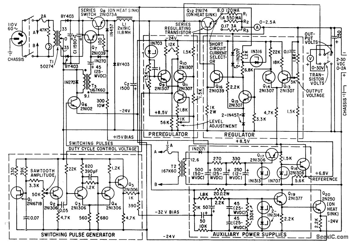
Regulation of short-circuit-proof variable voltage-regulated supply is 0.1 % for 2 to 30 V output and up to 2 amp. Dissipation in series regulating transistor is minimized by controlling on time of series switching transistor Q8. -J. S. Riordon, Power Supply Uses Switching Preregulation, Electronics, 35:10, p 62-64.
Reprinted Url Of This Article:
http://www.seekic.com/circuit_diagram/Control_Circuit/MINIMUM_DISSIPATION_SERIES_REGULATOR.html
Print this Page | Comments | Reading(3)
Code: