Published:2009/7/24 4:01:00 Author:Jessie | From:SeekIC

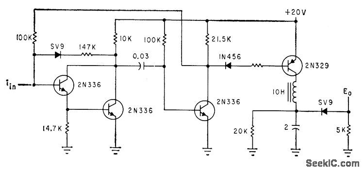
Level-sensitive switch uses nonlinear negative feedback to provide stable operation (within 1.5%) over 100℃ temperature range. Monostable mvbr is followed by rectifying transistor and filter. For signals above trigger level, circuit is periodically switched into its transient stale.-D. W. Boensel, Switching Circuits for Missile Count-Downs, Electronics, 32;31, p 76-78.
Reprinted Url Of This Article:
http://www.seekic.com/circuit_diagram/Control_Circuit/MISSILE_COUNT_DOWN_SWITCH.html
Print this Page | Comments | Reading(3)
Code: