Published:2009/7/16 5:55:00 Author:Jessie | From:SeekIC

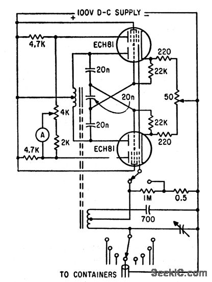
Wire is run through mercury-filled vessel. Bridge output goes to pair of mixer tubes (6AJ8 is U.S. equivalent) whose plate circuits form d-c vtvm, with milliammeter indicating amount of bridge unbalance. Bridge is formed by connecting mercury vessel, grounded wire, fixed capacitor, and variable capacitor to secondary coil of differential transformer.-Monitor Wire Enamel by Capacitance Bridge, Electronics, 33:44, p 92-97.
Reprinted Url Of This Article:
http://www.seekic.com/circuit_diagram/Control_Circuit/MONITORING_ENAMEL_THICKNESS_ON_WIRE.html
Print this Page | Comments | Reading(3)
Code: