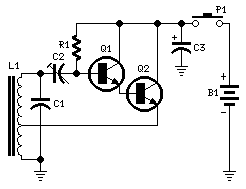
Published:2012/12/21 21:44:00 Author:muriel | Keyword: Magnetic-Radiation, Remote-Control | From:SeekIC

Reprinted Url Of This Article:
http://www.seekic.com/circuit_diagram/Control_Circuit/Magnetic_Radiation_Remote_Control.html
Print this Page | Comments | Reading(3)
Code: