Published:2011/7/1 1:21:00 Author:Nicole | Keyword: ventilator, controller | From:SeekIC

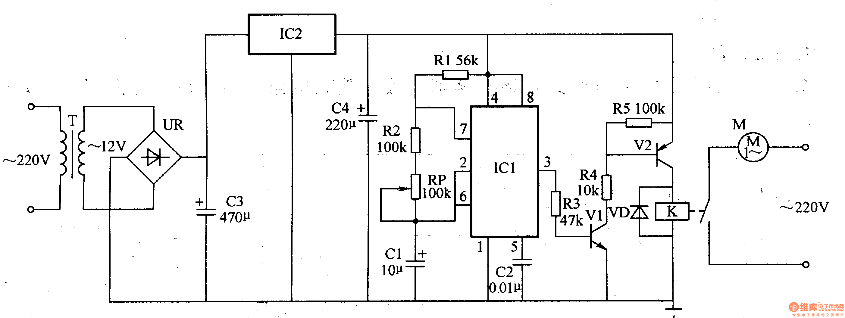
The medical treat ventilator controller circuit is composed of astable oscillator, control circuit and power supply circuit, it is shown in the figure 9-155.
The astable oscillator circuit is made of resistors R1, R2, potentiometer RP, capacitors C1, C2 and time base integrated circuit IC1.
The control circuit consists of resistors R3-R5, transistors V1, V2, diode VD and relay K.
The power supply circuit is composed of power transformer T, bridge rectifier UR rectifier, filter capacitors C3, C4 and there terminals steady voltage integrated circuit IC2.
Reprinted Url Of This Article:
http://www.seekic.com/circuit_diagram/Control_Circuit/Medical_treat_ventilator_controller.html
Print this Page | Comments | Reading(3)
Code: