Published:2011/7/24 4:12:00 Author:Lucas | Keyword: Mine spray dust , removal controller | From:SeekIC

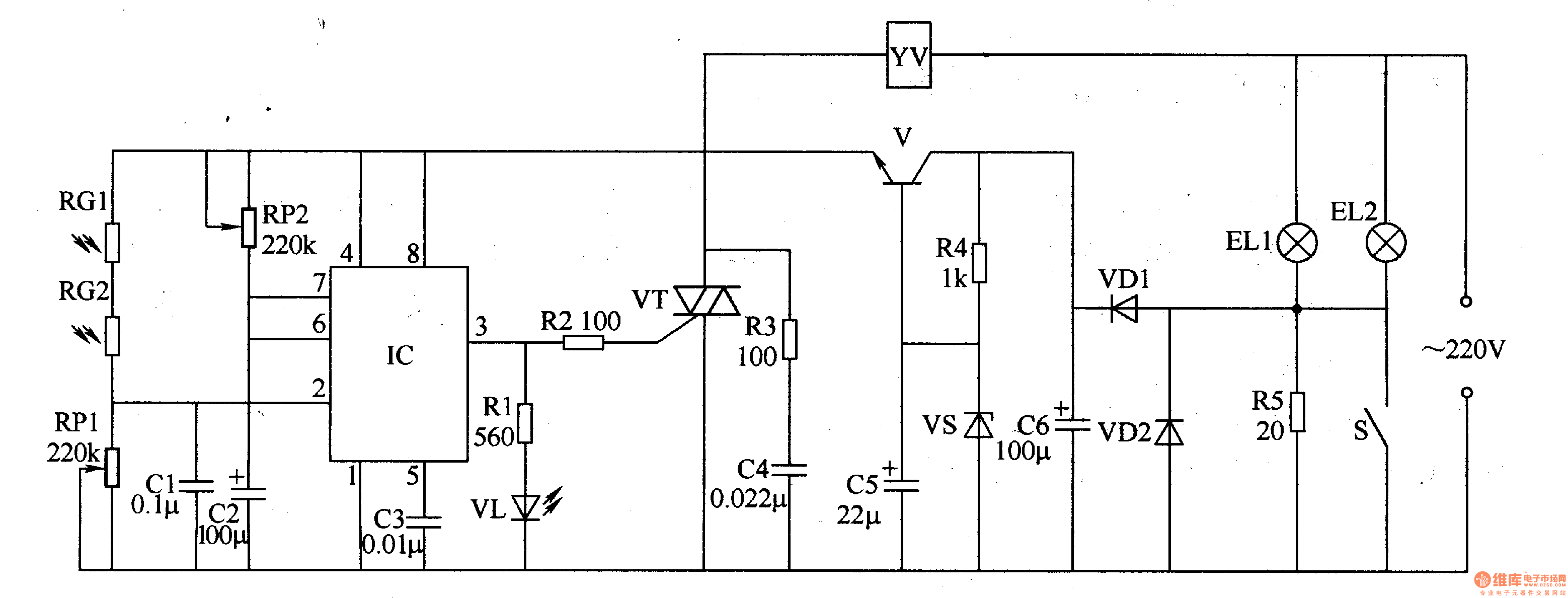
The mine spray dust removal controller circuit consists of +6 V power supply circuit, light control circuit, LED indication circuit and solenoid valve control circuit, and it is shown in Figure 8-34. +6 V power supply circuit is composed of the lights ELl, EL2, resistor R4, R5, switch S, the diode VDl, VD2, filter capacitors C5, C6, V voltage regulator diodes and transistors formed VS. Light control circuit by the photosensitive resistors RGl, RG2, potentiometers RPl, RP2, capacitors Cl-C3 and the time-base integrated circuit IC. Solenoid valve control circuit consists of the internal circuit of IC, resistors R2, R3, thyristor VT, capacitor C4 and the electromagnetic valve YV. LED indicator circuit consists of resistor Rl and light-emitting diode VL.
Reprinted Url Of This Article:
http://www.seekic.com/circuit_diagram/Control_Circuit/Mine_spray_dust_removal_controller.html
Print this Page | Comments | Reading(3)
Code: