© 2008-2012 SeekIC.com Corp.All Rights Reserved.
Published:2012/11/21 2:02:00 Author:muriel | Keyword: Model rocket , launch controller | From:SeekIC


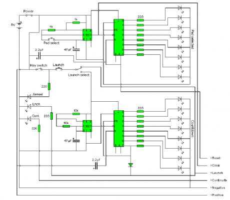
Most commercial rocket controllers available to buy are either expensive or do not have many features. After a lot of searching I found nothing that met my needs. I wanted a controller that could work multiple pads, as well as being easy to set up and pack away, so I designed my own. It has the ability to control up to 8 pads through a 6 core cable. You may want to be able to disconnect all your units. I used 6 pin DIN plugs so that all the units can be disconnected and easily transported. I wont go into details of how this works yet, although it is very useful as this type of cable is used in alarm systems and can be purchased cheaply. Each pad unit has a two sockets for signal input and output, with the input to the first pad unit coming from the controller. Any other units are then daisy chained to the first pad box. The controller also has a built in launch countdown controller, although this does have a bypass switch to use the controller in normal mode. On my controller I also added an accessory socket so that a large display can be connected to display the countdown sequence, although this is not included on the schematic to simplify the circuit. The main controller can also contain a rechargeable battery, although this does not have to be included. Not all features of my controller are shown on the circuit diagram, although you can easily add your own to suit your needs.
Reprinted Url Of This Article:
http://www.seekic.com/circuit_diagram/Control_Circuit/Model_rocket_launch_controller.html
Print this Page | Comments | Reading(3)
Response in 12 hours
© 2008-2012 SeekIC.com Corp.All Rights Reserved.
Code: