Published:2011/5/11 7:43:00 Author:Robert | Keyword: 12V, DC Motor, Driving | From:SeekIC

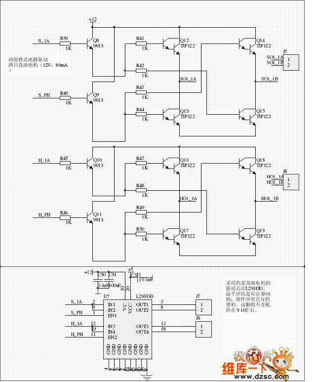
The 12V DC Motor Driving Circuit is shown below.
Reprinted Url Of This Article:
http://www.seekic.com/circuit_diagram/Control_Circuit/Motor_Control/12V_DC_Motor_Driving_Circuit.html
Print this Page | Comments | Reading(3)
Code: