About SeekIC | Services | Payment | Advertisements service | Contact Us | Links
© 2008-2012 SeekIC.com Corp.All Rights Reserved.
Published:2011/5/18 10:03:00 Author:Robert | Keyword: DC Motor, Driving | From:SeekIC

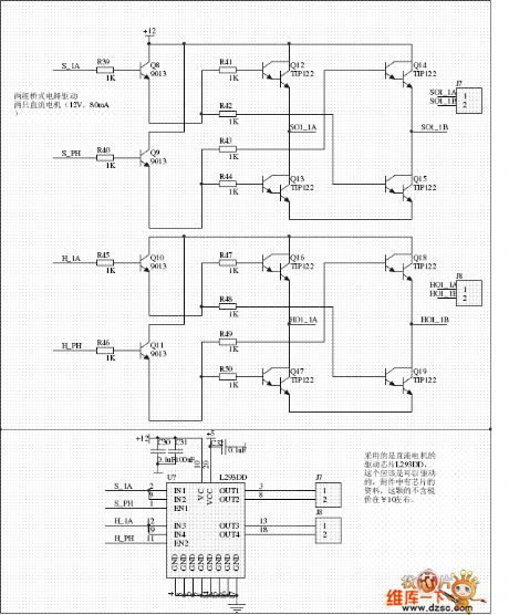
The DC Motor Driving Circuit is shown below.
These are two DC motor driving circuit, one is driven by electric bridge while the other is driven by integrated circuit L293DD, which is used to drive two DC motor (12V, 80mA). On the other hand, for L293DD input port,maybe it can make the IN1, IN2 (IN3, IN4) connected toghter separately and controlled by a MCU port.
Reprinted Url Of This Article:
http://www.seekic.com/circuit_diagram/Control_Circuit/Motor_Control/DC_Motor_Driving_Circuit.html
Print this Page | Comments | Reading(3)
Response in 12 hours
© 2008-2012 SeekIC.com Corp.All Rights Reserved.
Code: