Published:2011/7/12 10:13:00 Author:John | Keyword: DPDT FET switch, FET | From:SeekIC

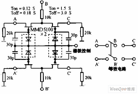
DPDT FET switch circuit is as shown. When the FET is inducted, the resistance of the drain channel can be up to thousands of MΩ. Therefore, FET can constitute an ideal low-frequency switch. Capacitance of ends of the FET is not good to do isolation for high-frequency signals. Thus, response time can be increased and maximum operating frequency can be limited.
Reprinted Url Of This Article:
http://www.seekic.com/circuit_diagram/Control_Circuit/Motor_Control/DPDT_FET_switch_circuit.html
Print this Page | Comments | Reading(3)
Code: