About SeekIC | Services | Payment | Advertisements service | Contact Us | Links
© 2008-2012 SeekIC.com Corp.All Rights Reserved.
Published:2011/4/10 22:29:00 Author:muriel | Keyword: MCLR connection manual button switch | From:SeekIC

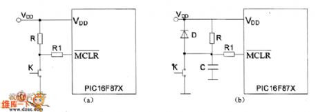
MCLR connection manual button switch circuit diagram as shown
Reprinted Url Of This Article:
http://www.seekic.com/circuit_diagram/Control_Circuit/Motor_Control/MCLR_connection_manual_button_switch_circuit_diagram.html
Print this Page | Comments | Reading(3)
Response in 12 hours
© 2008-2012 SeekIC.com Corp.All Rights Reserved.
Code: