Published:2011/5/6 3:07:00 Author:Robert | Keyword: Straw, Feed, Muller | From:SeekIC

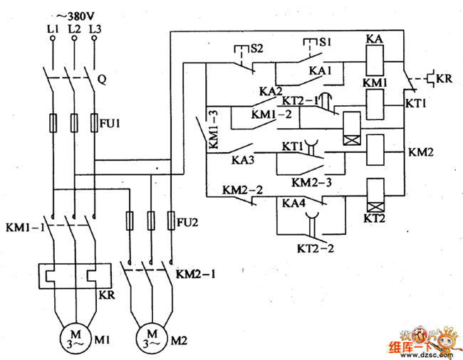
For the straw feed muller used in the countryside to process the corn, straw and grass and other animal feeding stuffs, some people use two electric motor (feeding motor and cropping motor) as the power to complete the crushing job for straw and feed. To avoid the cropping motor's rotor locking, it is required that the cropping motor should run firstly for a period time, and then lets the feeding motor run. The straw feed muller control circuit introduced by this model can control the two motors' woking status automatically.The circuit's working principle is shown below.This straw feed muller control circuit is made up by knife switch Q, fuse FU1, FU2, thermal relay, AC connector KM1, KM2, time relay KT1, KT2, middle relay KA and control button S1, S2 and so on, which is shown in the picture.The cropping motor M1's main circuit is made up by Q, FU1, KM1's normally open main contactor KM1-1, KR thermal elements.The feeding motor M2's main circuit is made up by Q, FU1, FU2 and KM2's normally open main contactor KM2-1.The control circuit is made up by start button S1, stop button S2, KA, KM1, KM2, KT1, KT2 and other control contactors.
Reprinted Url Of This Article:
http://www.seekic.com/circuit_diagram/Control_Circuit/Motor_Control/Straw_And_Feed_Muller_Control_Circuit.html
Print this Page | Comments | Reading(3)
Code: