Published:2011/7/8 3:18:00 Author:Fiona | Keyword: switching solenoid | From:SeekIC

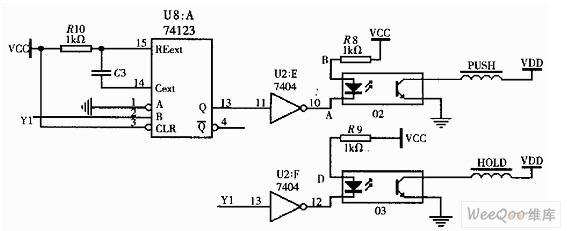
The picture shows the switching solenoid driver circuit,the device U8 is 74123 chip, the device 02,03 are solid-state relays,coil PUSH is the switching inhaled coil,HOLD's ability is to maintain the coil,the power supply VDD is 24V.When the switching mechanism converts to dual fuel conversion mechanism working condition,Y1 input from 74123's B pin jumps from low to high.This change will make 74123's the output end Q input a transient high current pulse,the maintain time is ΔT.After the inverter 7404,the potential UA of A-point will appear the same width of pulse low level,the input of solid-state relay 02 has ΔT time current passed,when the output of the solid-state relay 02 has ΔT time conduction.
Reprinted Url Of This Article:
http://www.seekic.com/circuit_diagram/Control_Circuit/Motor_Control/The_switching_solenoid_driver_circuit.html
Print this Page | Comments | Reading(3)
Code: