Published:2011/5/17 1:53:00 Author:Nicole | Keyword: motor, electronic governor, controller | From:SeekIC

The circuit work theory
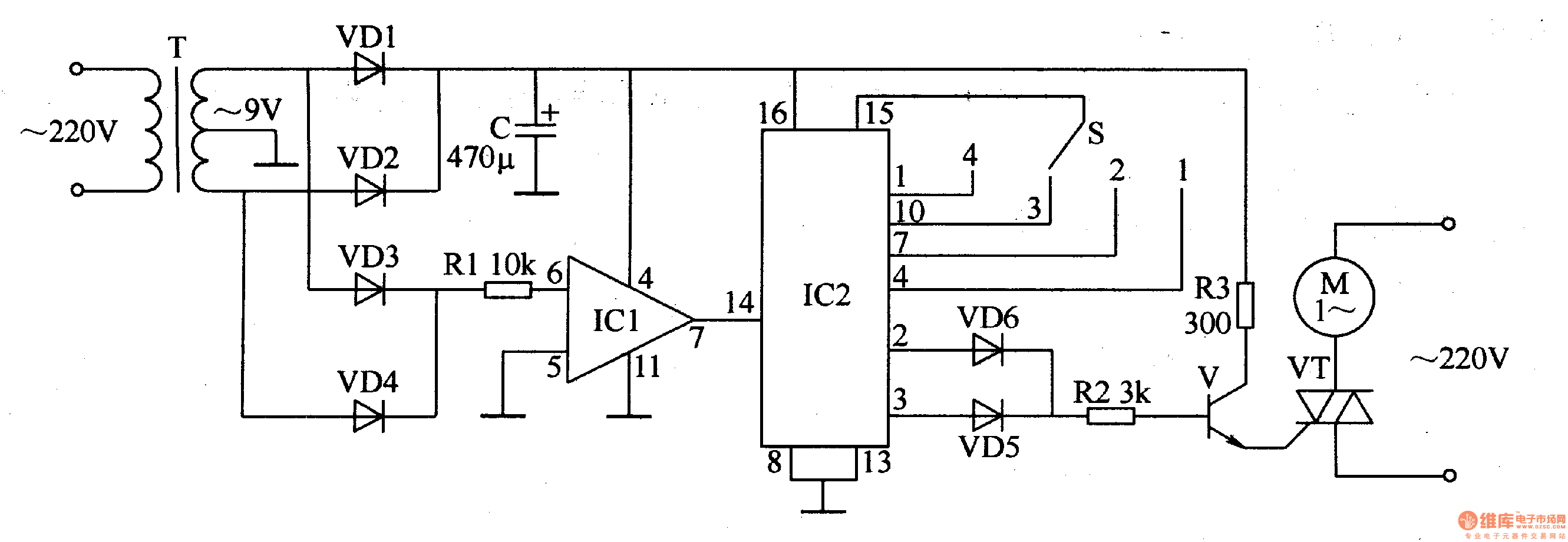
This motor electronic governor controller circuit is composed of power supply circuit, zero passage detection circuit and power regulating circuit, the circuit is shown in the figure 8-29.
The power supply circuit is made of power transformer T, rectifier diodes VD1, VD2 and filter capacitor C.
The zero passage detection circuit consists of diodes VD3, VD4, resistor R1 and operational amplifier integrated circuit IC1.
The power regulating circuit is composed of counter/distributor integrated circuit IC2, power adjustment switch S, diodes VD5, VD6, resistors R2, R3, transistor V and SCR VT.
Reprinted Url Of This Article:
http://www.seekic.com/circuit_diagram/Control_Circuit/Motor_electronic_governor_controller_2.html
Print this Page | Comments | Reading(3)
Code: