Published:2011/5/17 21:18:00 Author:Nicole | Keyword: Motor, electronic governor controller | From:SeekIC

The circuit work theory
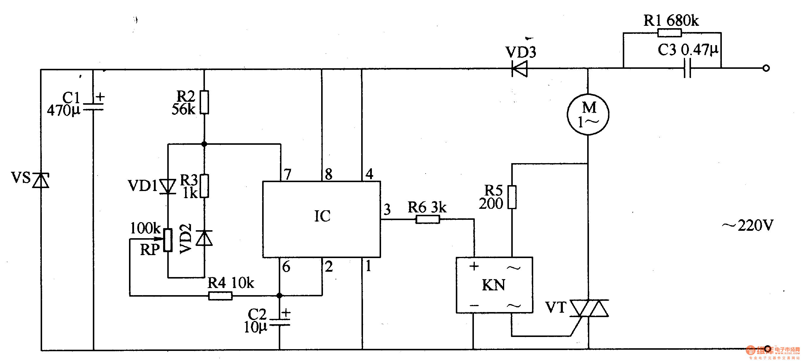
This motor electronic governor controller circuit is composed of power supply circuit, ultralow-frequency oscillator and control implement circuit, the circuit is shown in the figure 8-63.
The power supply circuit is made of depressurization capacitor C3, bleeder resistor R1, rectifier diodes VD3, filter capacitors C1 and steady voltage diode VS.
The ultralow-frequency oscillator consists of time base integrated circuit IC, resistors R2-R4, potentiometers RP, capacitor C2 and diodes VD1, VD2.
The control implement circuit is composed of solid state relay KN(SSR)、transistor VT and resistor R6.
Reprinted Url Of This Article:
http://www.seekic.com/circuit_diagram/Control_Circuit/Motor_electronic_governor_controller_6.html
Print this Page | Comments | Reading(3)
Code: