Published:2011/5/29 2:03:00 Author:Lucas | Keyword: Motor, electronic speed controller | From:SeekIC

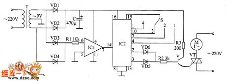
The motor electronic speed controller circuit consists of power supply circuit, the zero detection circuit and the power conditioning circuit, the circuit is shown as the chart. Power supply circuit is composed of the power transformer T, rectifier diodes VD1, VD2, and filter capacitor C. Zero detection circuit is composed of the diodes VD3, VD4, resistor R1 and Op Amp IC IC1. Power conditioning circuit consists of counting / divider integrated circuit IC2, power adjusting switch S, the diodes VD5, VD6, resistors R2, R3, transistor V and control V and thyristor VT. R1 ~ R3 use 1/4W carbon film resistors or metal film resistors. C uses aluminium electrolytic capacitor with the voltage in 25V. VD1 ~ VD6 use 1N4007 silicon rectifier diodes. V uses 59013, C8050 or 58050 silicon NPN transistor.
Reprinted Url Of This Article:
http://www.seekic.com/circuit_diagram/Control_Circuit/Motor_electronic_speed_controller_circuit_diagram_2.html
Print this Page | Comments | Reading(3)
Code: