Published:2011/5/18 6:51:00 Author:Lucas | Keyword: Motor , electronic speed controller | From:SeekIC

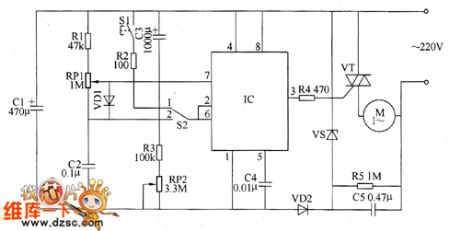
The motor speed controller circuit consists of power circuit, timing control / trigger pulse generator circuit and control implementation circuit, the circuit is shown as the chart. Power supply circuit consists of step-down capacitor C5, voltage regulator diode VS, rectifier diode VD2, filter capacitor C1. Timer control / trigger pulse generator circuit is composed of the time-base integrated circuit IC, the control switch S1, timer / voltage selecting switch S2, resistors R1 ~ R3, potentiometers RP1, RP2, capacitors C2 ~ C4. Control implementation circuit is composed of the resistor M and thyristor VT. AC 220V voltage is bucked by C5, stabilized by resistor R5, VS, rectified by VD2 and filtered by C1 to provide 121V (Vcc) DC working voltage for IC. R1 ~ R5 use 1/4W carbon film resistors or metal film resistors.
Reprinted Url Of This Article:
http://www.seekic.com/circuit_diagram/Control_Circuit/Motor_electronic_speed_controller_circuit_diagram_4.html
Print this Page | Comments | Reading(3)
Code: