Published:2011/6/27 22:26:00 Author:Nicole | Keyword: Motor, protector | From:SeekIC

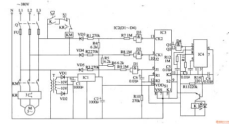
This motor protector circuit is composed of power supply circuit, phase sequence detection circuit, monostable circuit and control implement circuit, it is shown in the figure 8-54.
The power supply circuit is made of power transformer T, rectifier diodes VD1, VD2, capacitors C1, C2 and there terminals steady voltage integrated circuit IC1.
The phase sequence detection circuit consists of diodes VD3-VD5, resistors R1-R10, capacitor C6, four NAND gates Schmitt trigger integrated circuit IC2(D1-D4) and double JK master-slave trigger integrated circuit IC3.
The monostable circuit is composed of resistors R11-Rl3, capacitors C3-C5 and time base integrated circuit IC4.
Reprinted Url Of This Article:
http://www.seekic.com/circuit_diagram/Control_Circuit/Motor_protector_18.html
Print this Page | Comments | Reading(3)
Code: