Published:2011/6/27 4:53:00 Author:Nicole | Keyword: Motor, protector | From:SeekIC

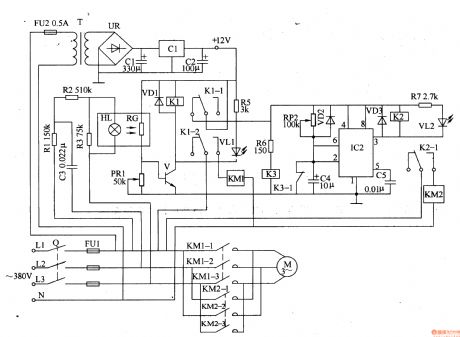
This motor protector circuit is composed of DC steady voltage power supply, phase sequence detection circuit, sampling control circuit and automatic converting circuit, it is shown in the figure 8-38.
The DC steady voltage power supply circuit is made of fuse FU2, power transformer T, bridge rectifier UR, fliter capacitors C1, C2 and there terminals steady voltage integrated circuit IC1.
The sampling control circuit consists of photosensitive resistor RG, potentiometer RP1, transistors R4, R6, R7, relay K1, diode VD1, resistor R5, LED VL1 and AC contactor KM1.
Reprinted Url Of This Article:
http://www.seekic.com/circuit_diagram/Control_Circuit/Motor_protector_2.html
Print this Page | Comments | Reading(3)
Code: