Published:2011/6/27 4:59:00 Author:Nicole | Keyword: Motor, protector | From:SeekIC

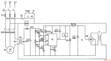
This motor protector circuit is composed of power supply circuit, current detection circuit and protection control circuit, it is shown in the figure 8-39.
The power supply circuit is made of power transformer T, bridge rectifier UR, fliter capacitors C5, current limiting resistor R3 and Zener diode VS.
The current detection circuit consists of current transformerTA, diode VD1, capacitor C1 and potentiometers RP1, RP2.
The protection control circuit is composed of time base integrated circuit IC, resistors R1, R2, diode VD2, capacitors C2-C4, relay K and AC contactor KM.
Reprinted Url Of This Article:
http://www.seekic.com/circuit_diagram/Control_Circuit/Motor_protector_3.html
Print this Page | Comments | Reading(3)
Code: