Published:2011/6/27 21:12:00 Author:Nicole | Keyword: Motor, protector | From:SeekIC

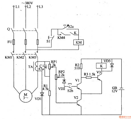
This motor protector circuit is composed of starting control circuit, phase failure detection circuit and protection implement circuit, it is shown in the figure 8-45.
The starting control circuit is made of starter button S2 and stop button S1.
The phase failure detection circuit consists of current mutual inductor TA, rectifier diode VD1, resistor R1, capacitor C and potentiometer RP1, RP.
The protection implement circuit is composed of transistors V1-V3, relay K and AC contactor KM.
V1's sensitivity can be changed by adjusting RP1 and RP2.
Reprinted Url Of This Article:
http://www.seekic.com/circuit_diagram/Control_Circuit/Motor_protector_9.html
Print this Page | Comments | Reading(3)
Code: