Published:2011/7/2 21:49:00 Author:Lucas | Keyword: Motor speed, control | From:SeekIC

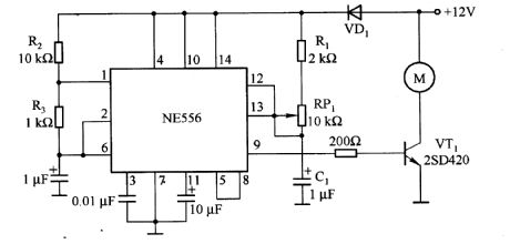
NE556 chip has two timers with exactly the same functions: one timer is the astable multivibrator circuit, of which output is used as the trigger signal; the other is the monostable multivibrator circuit, of which time constant is adjusted by RP1. It constitutes the motor control circuit with constant frequency and adjustable duty cycle. Oscillation frequency f = 1.44 / [(R2 +2 R3) Cl], the duty cycle D = [1.6 (Rl ten R (RP1) Cl] [(R2+ 2R3) C1]. The small duty cycle will start the moyor. VTl uses 2SD42O transistor with Ic = lOA, h (EF) in 1000 or more to directly drive motor.
Reprinted Url Of This Article:
http://www.seekic.com/circuit_diagram/Control_Circuit/Motor_speed_control_circuit_composed_of_NE556.html
Print this Page | Comments | Reading(3)
Code: