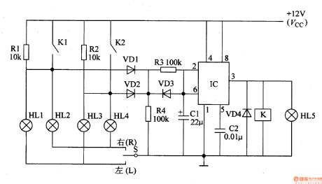
Published:2011/7/29 3:06:00 Author:Ecco | Keyword: Motor vehicle, steering light controller | From:SeekIC

Reprinted Url Of This Article:
http://www.seekic.com/circuit_diagram/Control_Circuit/Motor_vehicle_steering_light_controller_1.html
Print this Page | Comments | Reading(3)
Code: