Published:2011/7/10 5:55:00 Author:Sue | Keyword: Motorcycle, Gears, Indicator | From:SeekIC

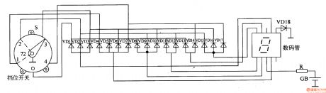
The storage battery GB's 12v(or 6v) voltage will be put on the digitalindicator after it is limited by R.
When the motorcycle is in neutral gear, S's moving contact and neutral contact are connected together, which will make the diode VD1,VD5,VD8,VD11,VD13 connected. The digital indicator indicates number 0 .
When the motorcycle is in gear 1, S's moving contact and gear 1 contact are connected together, which will make the diode VD4 connected. The digital indicator indicates number 1 .
When the motorcycle is in gear 2, S's moving contact and gear 2 contact are connected together, which will make the diode VD2,VD9,VD12,VD15 connected. The digital indicator indicates number 2 .
When the motorcycle is in gear 3, S's moving contact and gear 3 contact are connected together, which will make the diode VD3,VD6,VD10,VD16 connected. The digital indicator indicates number 3 .
When the motorcycle is in gear 4, S's moving contact and gear 4 contact are connected together, which will make the diode VD7,VD14,VD17 connected. The digital indicator indicates number 4 .
Reprinted Url Of This Article:
http://www.seekic.com/circuit_diagram/Control_Circuit/Motorcycle_Gears_Indicator_1.html
Print this Page | Comments | Reading(3)
Code: