Published:2011/6/30 6:18:00 Author:Sue | Keyword: Motorcycle, Illuminating Lamp, Controller | From:SeekIC

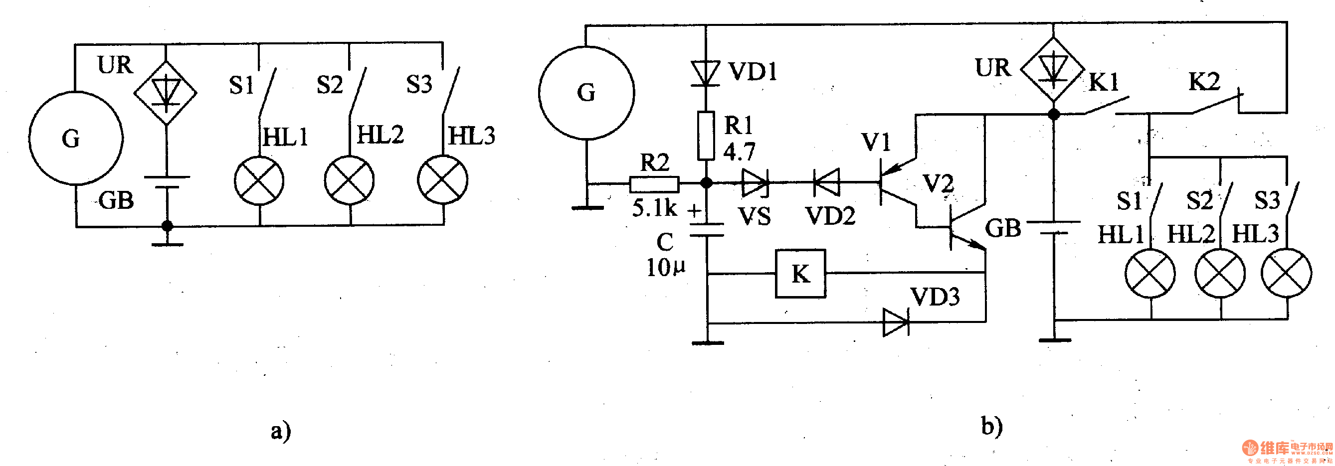
When the speed of the motorcycle is fast, C's voltage will be equal to GB's voltage. VD2,V1 and V2 are disconnected. K is released and AK1 is disconnected. K2 is connected. HL3,HL2,HL1 will be powered by G.
When the speed is slower than a certain value, C's voltage will make VD2 connected. V1,V2 are connected and K is connected. K1 is connected while K2 is disconnected. HL1-HL3 will be powered by GB.
When C is short, R1 will be disconnected to protect the circuit.
Reprinted Url Of This Article:
http://www.seekic.com/circuit_diagram/Control_Circuit/Motorcycle_Illuminating_Lamp_Controller.html
Print this Page | Comments | Reading(3)
Code: