Published:2011/7/19 20:06:00 Author:TaoXi | Keyword: Motorcycle, anti-thief, alarm | From:SeekIC

The principle of the circuit
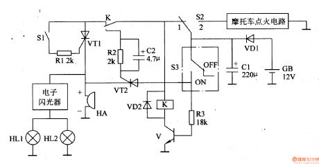
The motorcycle anti-thief alarm circuit is composed of the trigger control circuit and the sound and light alarm circuit, the circuit is as shown in figure 7-90.
The trigger control circuit is composed of the mercury switch S1 (sensor), the function conversion switch S2, the motorcycle lock switch S3, the resistors Rl-R3, the diodes VDl and VD2, the capacitors Cl and C2, the transistor V and the relay K.
The sound and light alarm circuit is composed of the alarm HA, the electronic flasher and the motorcycle turn lights HLl and HL2.
When you stop the motorcycle, you need to set the switch S2 in the position of 1 to make the anti-thief alarm in the alert state, at the time the VTl and VT2 cut off, the HA will not alarm, the HLl and HL2 turn on.
Reprinted Url Of This Article:
http://www.seekic.com/circuit_diagram/Control_Circuit/Motorcycle_anti_thief_alarm_7.html
Print this Page | Comments | Reading(3)
Code: