Published:2011/7/19 21:47:00 Author:TaoXi | Keyword: Motorcycle, anti-thief, alarm | From:SeekIC

The principle of the circuit
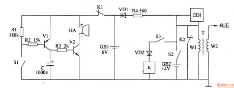
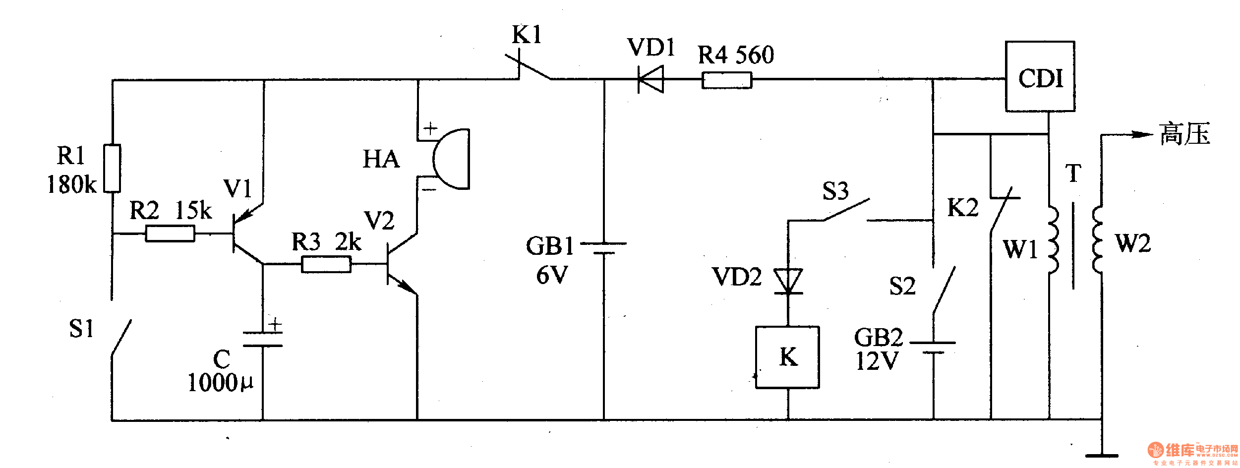
The motorcycle anti-thief alarm circuit is composed of the detection alarm circuit, the charging circuit and the anti-theft control circuit, this circuit is as shown in figure 7-94.
The detection alarm circuit is composed of the mercury switch Sl, the resistors Rl-R3, the capacitor C, the transistors V1, V2 and the high loudness alarm HA.
The charging circuit is composed of the current limiting resistor R4, the diodes VD1 and GB1.
The anti-theft control circuit is composed of the relay K, the anti-theft switch S3, the diode VD2 and the normally open contact point Kz of K.
Rl-R3 use the 1/4W metal film resistors; R4 uses the 3-5W wirewound resistor.C uses the 16V aluminum electrolytic capacitor.VDl and VD2 use the 1N4007 silicon rectifier diode.
Reprinted Url Of This Article:
http://www.seekic.com/circuit_diagram/Control_Circuit/Motorcycle_anti_thief_alarm_circuit_11.html
Print this Page | Comments | Reading(3)
Code: