Published:2011/7/23 6:06:00 Author:Sue | Keyword: Multifunctional, Adjustable, Generalized Time Relay | From:SeekIC

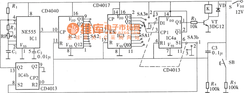
The circuit's multifunction means that it can acheive the three working modes conversions of delayed connection , delayed release , delayed loop . Delayed connection means that after the relay is preset, the relay isn't connected. Only when it reaches the preset timing time can it be connected. Delayed release is just the opposite to delayed connection. After the preset, the relay is connected. When it reaches the preset timing time, the relay is released. The operations of the two working modes of delayed connection and delayed release are one-time. When the relay completes one working process, the circuit's control part will enter into a stable state.
Reprinted Url Of This Article:
http://www.seekic.com/circuit_diagram/Control_Circuit/Multifunctional_Adjustable_Generalized_Time_RelayNE555CD4013_Circuit.html
Print this Page | Comments | Reading(3)
Code: