Published:2011/5/14 3:06:00 Author:Sue | Keyword: Multifunctional, Alarm | From:SeekIC

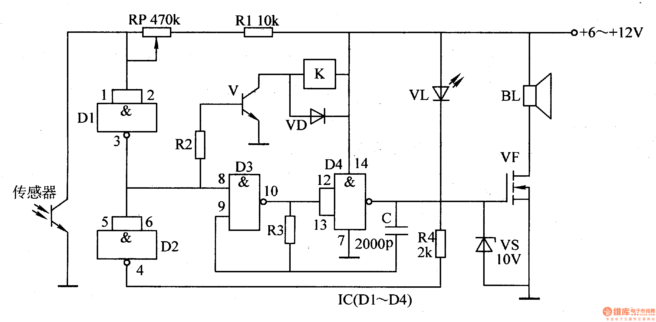
When the sensor detects nothing from outside, D1's input terminal is high level, while its output terminal is low level. D2 outputs high level, and VL is not illuminated. V is disconnected, and K is released. Audio oscillator composed of D3,D4,R3,C doesn't work and BL makes no sound.
When the sensor is stimulated, D1's input terminal turns into low level, and its output terminal becomes high level, which makes V begin to oscillate. The audio signal will force BL to make a warning sound after the signal is amplified by VF.
Reprinted Url Of This Article:
http://www.seekic.com/circuit_diagram/Control_Circuit/Multifunctional_Alarm.html
Print this Page | Comments | Reading(3)
Code: