Published:2009/6/29 23:04:00 Author:May | From:SeekIC

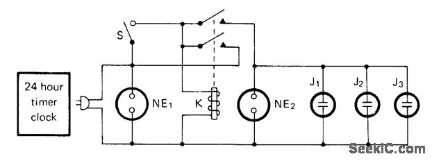
Prevents doublecharging if someone forgets to turn off 24-h time clock after recommended 16-h charge period. Nicad devices with built-in chargers are plugged into jacks J1-J3, and timer dial is advanced until clock switch is triggered. Neon lamp NE1 should now come on. Momentary pushbutton switch S is pushed to energize relay K and start charge, When timer goes off, K releases to end chatge.-M. Katz, Battery Charge Monitor, CQ, July 1976, p 27.
Reprinted Url Of This Article:
http://www.seekic.com/circuit_diagram/Control_Circuit/NICAD_CHARGE_CONTROL.html
Print this Page | Comments | Reading(3)
Code: