Published:2009/7/22 2:25:00 Author:Jessie | From:SeekIC

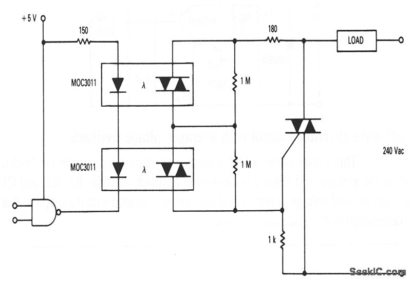
This circuit shows two MOC3011 optoisolators used to drive a 240-V triac-controlled load-even though the individual MOC3011 voltage rating is not sufficiently high to be used directly on a 240-V line. The two 1-MΩ resistors equalize the voltage on the MOC3011s.
Reprinted Url Of This Article:
http://www.seekic.com/circuit_diagram/Control_Circuit/Nonzero_crossing_optically_isolated_triac_drivers.html
Print this Page | Comments | Reading(3)
Code: